Местоположение:Главная / Продукция / Термоизоляционный клапан
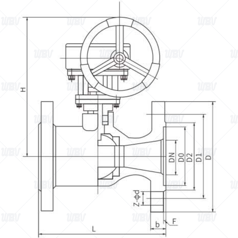
Рисунок продукции

Размеры продукции
| ПроходDN | Размер | |||||||
| L | D | D1 | D2 | b | Z-Фd | H | D0 | |
| QJ41M-16C | ||||||||
| 15 | 130 | 95 | 65 | 45 | 16 | 4-14 | 105 | 150 |
| 20 | 150 | 105 | 75 | 55 | 16 | 4-14 | 110 | 150 |
| 25 | 160 | 115 | 85 | 65 | 16 | 4-14 | 120 | 160 |
| 32 | 180 | 135 | 100 | 78 | 18 | 4-18 | 140 | 180 |
| 40 | 200 | 145 | 110 | 85 | 18 | 4-18 | 155 | 250 |
| 50 | 230 | 160 | 125 | 100 | 20 | 4-18 | 175 | 300 |
| 65 | 290 | 180 | 145 | 120 | 20 | 4-18 | 195 | 300 |
| 80 | 310 | 195 | 160 | 135 | 22 | 8-18 | 225 | 320 |
| 100 | 350 | 215 | 180 | 155 | 24 | 8-18 | 250 | 320 |
| 125 | 400 | 245 | 210 | 185 | 26 | 8-18 | 270 | 360 |
| 150 | 480 | 280 | 240 | 210 | 28 | 8-23 | 290 | 360 |
| 200 | 600 | 335 | 295 | 265 | 30 | 12-23 | 350 | 450 |
| 250 | 650 | 405 | 355 | 320 | 32 | 12-25 | 405 | 450 |
| QJ41M-25C | ||||||||
| 15 | 130 | 95 | 65 | 45 | 16 | 4-14 | 105 | 150 |
| 20 | 150 | 105 | 75 | 55 | 16 | 4-14 | 110 | 150 |
| 25 | 160 | 115 | 85 | 65 | 16 | 4-14 | 120 | 160 |
| 32 | 180 | 135 | 100 | 78 | 18 | 4-18 | 140 | 180 |
| 40 | 200 | 145 | 110 | 85 | 20 | 4-18 | 155 | 250 |
| 50 | 230 | 160 | 125 | 100 | 20 | 4-18 | 175 | 300 |
| 65 | 290 | 180 | 145 | 120 | 22 | 8-18 | 195 | 300 |
| 80 | 310 | 195 | 160 | 135 | 22 | 8-18 | 225 | 320 |
| 100 | 350 | 230 | 190 | 160 | 24 | 8-23 | 250 | 320 |
| 125 | 400 | 270 | 220 | 188 | 28 | 8-25 | 270 | 360 |
| 150 | 480 | 300 | 250 | 218 | 30 | 8-25 | 290 | 360 |
| 200 | 600 | 360 | 310 | 278 | 34 | 12-25 | 350 | 450 |
| 250 | 730 | 425 | 370 | 335 | 36 | 12-30 | 405 | 450 |
Технические материалы
1. Проектирование и изготовление по стандартам GB/T 12237-2021
2. Длина конструкции по стандартам GB/T 12221-2005
3. Испытания под давлением по стандартам GB / T 13927 - 2022
4. Размер фланца по JB/T 79.1
Предыдущий:Фланец стальной шаровой клапан Flange c.s HT ball valve QJ41M - 16 280°C / 150°C
Следующий:Фланец нержавеющая сталь высокотемпературный шаровой клапан Flange s.s HT ball valve QJ41M - 16
Соответствующая информация
Если у вас есть вопросы и предложения по продукту или вы хотите знать, вы можете связаться с нами в любое время.
Веб - сайт
МикросхемаПродукция
Отдел экспорта