Местоположение:Главная / Продукция / Ковочный стальной шаровой клапан
Шаровой клапан из нержавеющей стали высокого давления использует плавучую сферическую структуру, сфера может автоматически позиционироваться под действием давления среды, чтобы обеспечить тесный контакт поверхности уплотнения, чтобы достичь хорошего эффекта уплотнения. Его клапаны и шары изготовлены из высококачественных материалов из нержавеющей стали, обладают отличной коррозионной стойкостью и износостойкостью, могут работать в экстремальных условиях в течение длительного времени.
Принцип работы шарового клапана из нержавеющей стали высокого давления заключается в том, что жидкость проходит через вращающийся шар. На шаре есть проход, когда сфера вращается на 90 градусов, проход выровнен с входом и выходом клапана, жидкость может пройти; Когда сфера продолжает вращаться на 90 градусов, канал перпендикулярен входу и выходу, и жидкость отрезана. Шаровой клапан быстро открывается и закрывается, его работа проста и удобна, подходит для случаев, когда требуется частое переключение.
Сценарий применения
Нефтегазовая промышленность: при добыче, транспортировке и переработке нефти и газа шаровые клапаны из нержавеющей стали высокого давления выдерживают высокое давление и высокие температуры, обеспечивая нормальную работу трубопроводных систем.
Химическая промышленность: Процесс химического производства часто включает в себя коррозионную среду, коррозионная стойкость шарового клапана делает его идеальным выбором, может эффективно предотвратить утечку среды.
Энергетическая промышленность: В паровых и водопроводных каналах энергосистемы шаровые клапаны из нержавеющей стали высокого давления могут контролировать выход жидкости, регулировать давление в системе и повышать эффективность работы электрооборудования.
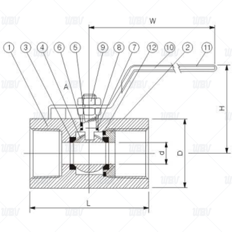
Рисунок продукции

Размеры продукции
| NPS | DN | d | D | L | H | W | Weight |
| 1/4" | 8 | 5 | 21 | 43 | 34 | 70 | 0.11 |
| 3/8" | 10 | 7 | 25 | 47 | 37 | 70 | 0.18 |
| 1/2" | 15 | 9 | 30 | 62.5 | 60 | 120 | 0.34 |
| 3/4" | 20 | 12.5 | 36 | 70 | 64 | 120 | 0.54 |
| 1" | 25 | 16 | 46 | 86 | 66 | 123 | 0.95 |
| 1 1/4" | 32 | 20 | 55 | 94 | 78 | 145 | 1.4 |
| 1 1/2" | 40 | 24.5 | 61 | 102 | 84 | 150 | 1.7 |
| 2” | 50 | 32 | 75 | 115 | 91 | 150 | 2.78 |
Технические материалы
1.Применение стандартовJB/T7746-2020
2.Критерии тестированияGB/T13927-2008
3.Материальные стандартыGB/T12230-2005
Таблица запасных частей
| Серийный номер | Имя | Материалы | Серийный номер | Имя | Материалы |
| 1 | Корпус клапана | F316/F304 | 7 | Шайба стопорная | RPTFE |
| 2 | Шапочка | F304 | 8 | Заглушка наполнителя | F316/F304 |
| 3 | Седло клапана | RPTFE | 9 | Гайка | A194 8 |
| 4 | Мяч | F316 | 10 | Ручка | 1Cr13 |
| 5 | Клапанный стержень | F316/F304 | 11 | РучкаНабор | PLASTIC |
| 6 | Заполнитель | RPTFE | 12 | Упругое кольцо | RPTFE |
Предыдущий:Шаровой клапан высокого давления
Следующий:Шаровой клапан высокого давления
Соответствующая информация
Если у вас есть вопросы и предложения по продукту или вы хотите знать, вы можете связаться с нами в любое время.
Веб - сайт
МикросхемаПродукция
Отдел экспорта