您当前的位置:首页 / 产品展示 / 全焊接球阀 / 硬密封高压对焊固定球阀 Q367H-300LB~1500LB
产品展示
产品详情
产品图纸

产品零件
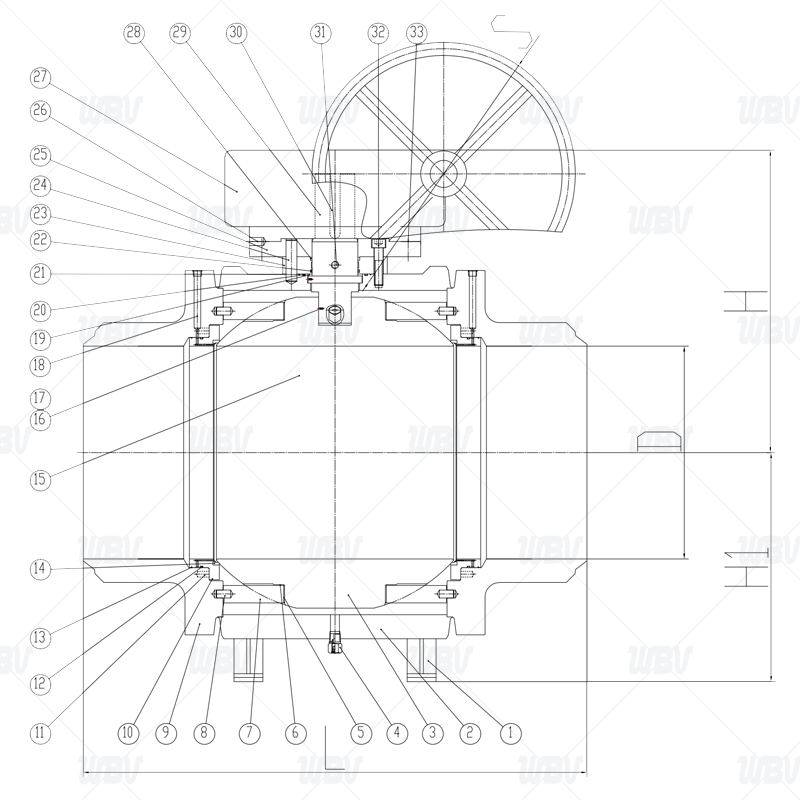
| 序号 | 名称 | 材质 | 序号 | 名称 | 材质 |
| 1 | 底座 | A105 | 18 | 阀座注脂阀 | A105 |
| 2 | 阀体 | A105 | 19 | 止动片 | F304+石墨 |
| 3 | 球 | A105+ENP+0.05mm | 20 | O型圈 | 氟素橡胶(FKM) |
| 4 | 排污塞 | A105 | 21 | 防火圈 | 石墨 |
| 5 | 滑套 | A105+30%RPTFE | 22 | O型圈 | 氟素橡胶(FKM) |
| 6 | 止推垫圈 | A105+30%RPTFE | 23 | 上盖 | A105 |
| 7 | 支撑板 | A105 | 24 | 销 | 45# |
| 8 | 销 | 45# | 25 | 压盖 | A105 |
| 9 | 阀盖 | A105 | 26 | 紧定螺钉 | A193 B8 |
| 10 | 阀座支撑 | A105 | 27 | 蜗轮执行器 | 组合件 |
| 11 | 弹簧 | 50crv4 | 28 | 填料 | 石墨 |
| 12 | O型圈 | 氟素橡胶(FKM) | 29 | 阀杆 | 20Cr13 |
| 13 | 防火圈 | 石墨 | 30 | 键 | 45# |
| 14 | 阀座 | F304+ENP+0.05mm | 31 | 阀杆注脂阀 | A105 |
| 15 | 排污塞 | A105 | 32 | 内六角螺钉 | A193 B8 |
| 16 | 防静电弹簧 | F304 | 33 | 螺柱 | A193 B8 |
| 17 | 防静电钢球 | F304 | 34 | 螺母 | A194 8 |
技术资料
设计与制造规范:API 6D API 608
结构长度:ASME B16.10
检验与实验:API 6D API 598
公称压力:300LB/600LB/900LB/1500LB
产品尺寸
| 300lb | 600LB | ||||||||||
| DN | L | D | H | H1 | s | DN | L | D | H | H1 | s |
| DN50 | 216 | 49 | DN50 | 292 | 49 | ||||||
| DN65 | 241 | 62 | DN65 | 330 | 62 | ||||||
| DN80 | 282 | 74 | DN80 | 356 | 74 | ||||||
| DN100 | 305 | 100 | DN100 | 432 | 100 | ||||||
| DN125 | 381 | 123 | DN125 | 508 | 123 | ||||||
| DN150 | 403 | 152 | 303 | 185 | 460 | DN150 | 559 | 152 | 309 | 245 | 460 |
| DN200 | 502 | 203 | 342 | 226 | 460 | DN200 | 660 | 203 | 358 | 300 | 705 |
| DN250 | 568 | 254 | 378.5 | 272 | 705 | DN250 | 787 | 254 | 409 | 340 | 800 |
| DN300 | 648 | 305 | 418 | 311 | 705 | DN300 | 838 | 305 | 474 | 390 | 800 |
| DN350 | 762 | 324 | 455 | 348 | 705 | DN350 | 889 | 324 | 502 | 428 | 800 |
| DN400 | 838 | 375 | 558 | 417 | 800 | DN400 | 991 | 375 | 532 | 475 | 800 |
| DN450 | 914 | 425 | 598 | 453 | 800 | DN450 | 1092 | 425 | 636 | 545 | 800 |
| DN500 | 991 | 473 | 630 | 479 | 800 | DN500 | 1094 | 473 | 674 | 570 | 800 |
| DN600 | 1143 | 571 | 705 | 587 | 800 | DN600 | 1397 | 571 | 765 | 700 | 800 |
| 900LB | 1500LB | ||||||||||
| DN | L | D | H | H1 | s | DN | L | D | H | H1 | s |
| DN50 | 368 | 49 | DN50 | 178 | 49 | ||||||
| DN65 | 419 | 62 | DN65 | 190 | 62 | ||||||
| DN80 | 381 | 74 | DN80 | 203 | 74 | ||||||
| DN100 | 457 | 100 | DN100 | 229 | 100 | ||||||
| DN125 | 559 | 123 | DN125 | 356 | 123 | ||||||
| DN150 | 610 | 152 | 305 | 300 | 705 | DN150 | 394 | 144 | 380 | 300 | 800 |
| DN200 | 737 | 203 | 395 | 400 | 800 | DN200 | 457 | 192 | 490 | 400 | 800 |
| DN250 | 838 | 254 | 430 | 430 | 800 | DN250 | 533 | 235 | 510 | 430 | 800 |
| DN300 | 965 | 305 | 465 | 455 | 800 | DN300 | 610 | 287 | 560 | 460 | 800 |
| DN350 | 1029 | 322 | 545 | 545 | 800 | DN350 | 686 | 315 | 635 | 550 | 800 |
| DN400 | 1130 | 373 | 615 | 615 | 800 | DN400 | 762 | 360 | 685 | 620 | 800 |
| DN450 | 1219 | 423 | 685 | 685 | 800 | DN450 | 864 | 406 | |||
| DN500 | 1321 | 471 | 750 | 750 | 800 | DN500 | 914 | 454 | |||
| DN600 | 1549 | 570 | 895 | 895 | 800 | DN600 | 1067 | 546 | |||
相关信息