您当前的位置:首页 / 产品展示 / 止回阀 / 锻钢不锈钢国标旋启式止回阀 H44H-64/100/160/250
产品展示
螺栓/焊接连接阀盖,缩径和全径
末端连接为法兰,设计按GB/T12224
产品详情
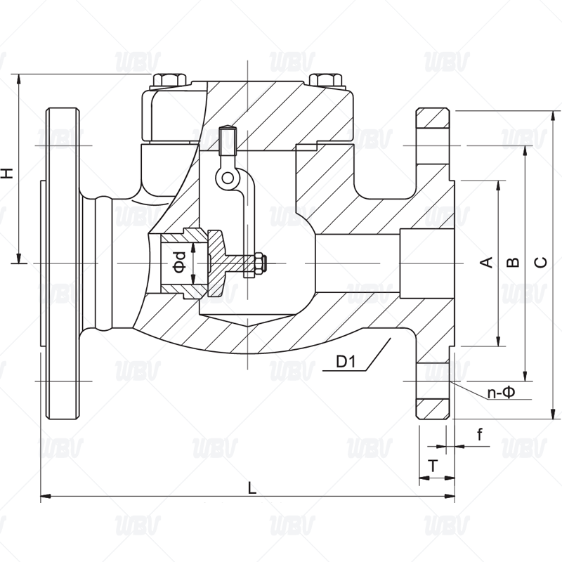
产品图纸

产品尺寸
| PN64 FM | ||||||||||||
| DN | NPS(英寸) | Ød | L | H | A | B | C | d | T | f | f2 | n-Ø |
| 15 | 1/2″ | 10.5 | 170 | 63 | 45 | 75 | 105 | 40 | 20 | 2 | 4 | 4-14 |
| 20 | 3/4″ | 13 | 190 | 65 | 58 | 90 | 130 | 51 | 22 | 2 | 4 | 4-18 |
| 25 | 1″ | 17.5 | 210 | 80 | 68 | 100 | 145 | 58 | 24 | 2 | 4 | 4-18 |
| 32 | 1 1/4″ | 24 | 230 | 90 | 78 | 110 | 155 | 66 | 26 | 2 | 4 | 4-22 |
| 40 | 1 1/2″ | 29 | 260 | 101 | 88 | 125 | 170 | 76 | 28 | 3 | 4 | 4-22 |
| 50 | 2″ | 36.5 | 300 | 120 | 102 | 135 | 180 | 88 | 28 | 3 | 4 | 4-22 |
| PN100 FM | ||||||||||||
| DN | NPS(英寸) | Ød | L | H | A | B | C | d | T | f | f2 | n-Ø |
| 15 | 1/2″ | 10.5 | 170 | 63 | 45 | 75 | 105 | 40 | 20 | 2 | 4 | 4-14 |
| 20 | 3/4″ | 13 | 190 | 65 | 58 | 90 | 130 | 51 | 22 | 2 | 4 | 4-18 |
| 25 | 1″ | 17.5 | 210 | 80 | 68 | 100 | 140 | 58 | 24 | 2 | 4 | 4-18 |
| 32 | 1 1/4″ | 24 | 230 | 90 | 78 | 110 | 155 | 66 | 26 | 2 | 4 | 4-22 |
| 40 | 1 1/2″ | 29 | 260 | 101 | 88 | 125 | 170 | 76 | 28 | 3 | 4 | 4-22 |
| 50 | 2″ | 36.5 | 300 | 120 | 102 | 145 | 195 | 88 | 30 | 3 | 4 | 4-26 |
| PN160 FM | ||||||||||||
| DN | NPS(英寸) | Ød | L | H | A | B | C | d | T | f | f2 | n-Ø |
| 15 | 1/2″ | 10.5 | 170 | 65 | 45 | 75 | 105 | 40 | 20 | 2 | 4 | 4-14 |
| 20 | 3/4″ | 13 | 190 | 80 | 58 | 90 | 130 | 51 | 24 | 2 | 4 | 4-18 |
| 25 | 1″ | 17.5 | 210 | 90 | 68 | 100 | 140 | 58 | 24 | 2 | 4 | 4-18 |
| 32 | 1 1/4″ | 24 | 230 | 101 | 78 | 115 | 155 | 66 | 28 | 2 | 4 | 4-22 |
| 40 | 1 1/2″ | 29 | 260 | 120 | 88 | 125 | 170 | 76 | 28 | 3 | 4 | 4-22 |
| 50 | 2″ | 36.5 | 300 | 135 | 102 | 145 | 195 | 88 | 30 | 3 | 4 | 4-26 |
| PN250 FM | ||||||||||||
| DN | NPS(英寸) | Ød | L | H | A | B | C | d | T | f | f2 | n-Ø |
| 15 | 1/2″ | 10.5 | 170 | 65 | 70 | 90 | 130 | 40 | 26 | 2 | 4 | 4-18 |
| 20 | 3/4″ | 13 | 190 | 80 | 75 | 95 | 135 | 51 | 28 | 2 | 4 | 4-18 |
| 25 | 1″ | 17.5 | 210 | 90 | 82 | 105 | 150 | 58 | 28 | 2 | 4 | 4-22 |
| 32 | 1 1/4″ | 24 | 230 | 101 | 96 | 120 | 165 | 66 | 32 | 2 | 4 | 4-22 |
| 40 | 1 1/2″ | 29 | 260 | 120 | 108 | 135 | 185 | 76 | 34 | 3 | 4 | 4-26 |
| 50 | 2″ | 36.5 | 300 | 140 | 122 | 150 | 200 | 88 | 38 | 3 | 4 | 8-26 |
技术资料
1.设计与制造:JB/T7746;GB/T12224
2.结构长度:JB/T7746或客户需求
3.法兰端尺寸:GB/T9113,JB/T82.1-82.4
4.检验与试验:JB/T9092;GB/T26480
5.结构特征:B·B(中部螺栓)W·B(中部焊接)流量:全径(FP)缩径(RP)
6.主体材料:A105N,LF2,LF3,F11,F5,F22,F304,F304L.F316,F316L,F321H,F51,F53,F55,F91,F92,F347,310S,800H,600,625特殊材料等
相关信息