您当前的位置:首页 / 产品展示 / 全焊接球阀 / 全焊接全通径法兰球阀Q347HF-16/25C CF8固定球 双极涡轮 防腐蚀漆
产品展示
全焊接球阀,阀门由三段独立的锻压件通过焊接组成一体式而成,确保球阀在允许工况条件下连接阀体无泄漏。产品主要应用于:天然气、石油、水等介质,适用于小区供热、城市燃气、石油化工、钢铁、造船、冶金、发电站、调压站等管道使用。
产品详情
产品图纸


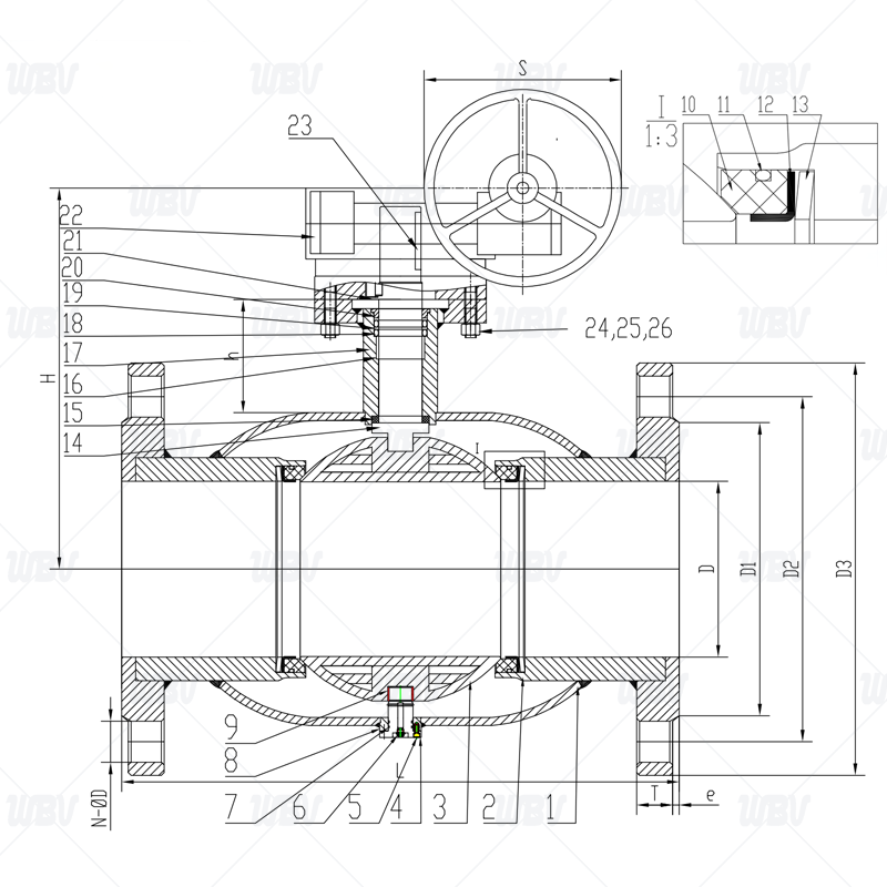
连接尺寸
| DN | PN | L | D | D1 | D2 | D3 | H | h | T-e | N-ØD | S | ISO5211 |
| 80 | 16 | 300 | 80 | 135 | 160 | 200 | 240 | 77 | 24-3 | 8-18 | 200 | F10 |
| 100 | 16 | 325 | 100 | 160 | 190 | 235 | 257 | 82 | 26-3 | 8-22 | 200 | F10 |
| 125 | 16 | 350 | 125 | 188 | 220 | 270 | 270 | 82 | 28-3 | 8-26 | 230 | F10 |
| 150 | 16 | 400 | 150 | 212 | 250 | 300 | 340 | 107 | 30-3 | 8-26 | 230 | F12 |
| 200 | 16 | 530 | 200 | 268 | 310 | 360 | 400 | 117 | 32-3 | 12-26 | 250 | F14 |
| 250 | 16 | 620 | 250 | 320 | 370 | 425 | 480 | 129 | 35-3 | 12-30 | 280 | F16 |
| 300 | 16 | 680 | 300 | 378 | 430 | 485 | 540 | 129 | 38-3 | 16-30 | 300 | F16 |
| 350 | 16 | 775 | 350 | 428 | 490 | 555 | 580 | 130 | 42-3 | 16-33 | 350 | F20 |
| 400 | 16 | 890 | 400 | 490 | 550 | 620 | 680 | 130 | 46-3 | 16-36 | 400 | F20 |
| 450 | 16 | 910 | 450 | 550 | 600 | 670 | 700 | 130 | 50-3 | 20-36 | 400 | F20 |
| 500 | 16 | 1084 | 500 | 610 | 660 | 730 | 750 | 135 | 56-3 | 20-36 | 450 | F30 |
| 600 | 16 | 1363 | 590 | 725 | 770 | 845 | 830 | 135 | 68-3 | 20-39 | 500 | F30 |
| 80 | 25 | 300 | 80 | 135 | 160 | 200 | 240 | 77 | 24-3 | 8-18 | 200 | F10 |
| 100 | 25 | 325 | 100 | 160 | 190 | 235 | 257 | 82 | 26-3 | 8-22 | 200 | F10 |
| 125 | 25 | 350 | 125 | 188 | 220 | 270 | 270 | 82 | 28-3 | 8-26 | 230 | F10 |
| 150 | 25 | 400 | 150 | 218 | 250 | 300 | 340 | 107 | 30-3 | 8-26 | 230 | F12 |
| 200 | 25 | 530 | 200 | 278 | 310 | 360 | 400 | 117 | 32-3 | 12-26 | 250 | F14 |
| 250 | 25 | 620 | 250 | 332 | 370 | 425 | 480 | 129 | 35-3 | 12-30 | 280 | F16 |
| 300 | 25 | 680 | 300 | 390 | 430 | 485 | 540 | 129 | 38-3 | 16-30 | 300 | F16 |
| 350 | 25 | 775 | 350 | 450 | 490 | 555 | 580 | 130 | 42-3 | 16-33 | 350 | F20 |
| 400 | 25 | 890 | 400 | 505 | 550 | 620 | 680 | 130 | 46-3 | 16-36 | 400 | F20 |
| 450 | 25 | 910 | 450 | 555 | 600 | 670 | 700 | 130 | 50-3 | 20-36 | 400 | F20 |
| 500 | 25 | 1084 | 500 | 615 | 660 | 730 | 750 | 135 | 56-3 | 20-36 | 450 | F30 |
| 600 | 25 | 1363 | 590 | 720 | 770 | 845 | 830 | 135 | 68-3 | 20-39 | 500 | F30 |
蜗杆扭矩
| 公称尺寸 | DN150 | DN200 | DN250 | DN300 | DN350 | DN400 | DN500 | DN600 |
| 扭矩/.MI | 200 | 260 | 310 | 300 | 360 | 400 | 480 | 720 |
设计依据
1 阀门设计与制造标准GB/T12237-2007
2 结构长度标准GB/T12221-2005
3 其它要求标准GB/T12224-2005
4 检验与验收标准JB9092
产品零件表
| 序号 | 名称 | 材质 | 序号 | 名称 | 材质 |
| 1 | 体管 | 20# | 14 | 阀杆 | 20Cr13 |
| 2 | 接管 | 20# | 15 | 止推垫 | PTFE+C |
| 3 | 球 | 304 | 16 | 上轴承 | A105+PTFE+C |
| 4 | 底盖 | A105 | 17 | 支管 | 20# |
| 5 | 内六角螺钉 | 45# | 18 | 阀杆O型圈 | PTFE+C |
| 6 | 排污塞 | A105 | 19 | 垫圈 | 氟塑橡胶FKM |
| 7 | O型圈 | 氟塑橡胶FKM | 20 | 填料压盖 | 20# |
| 8 | 底座 | A105 | 21 | 轴用弹性挡圈 | 65Mn |
| 9 | 下轴承 | A105+PTFE+C | 22 | 驱动装置 | QT450 |
| 10 | 阀座 | PTFE+C | 23 | 平键 | 45# |
| 11 | 阀座O型圈 | 氟塑橡胶FKM | 24 | 螺柱 | 8.8 |
| 12 | 支撑环 | 60Si2Mn | 25 | 螺母 | 8 |
| 13 | 碟簧 | 60Si2Mn | 26 | 弹性垫圈 | 45# |
相关信息