您当前的位置:首页 / 产品展示 / 截止阀 / 美标自密封锻钢法兰截止阀J41H
产品展示
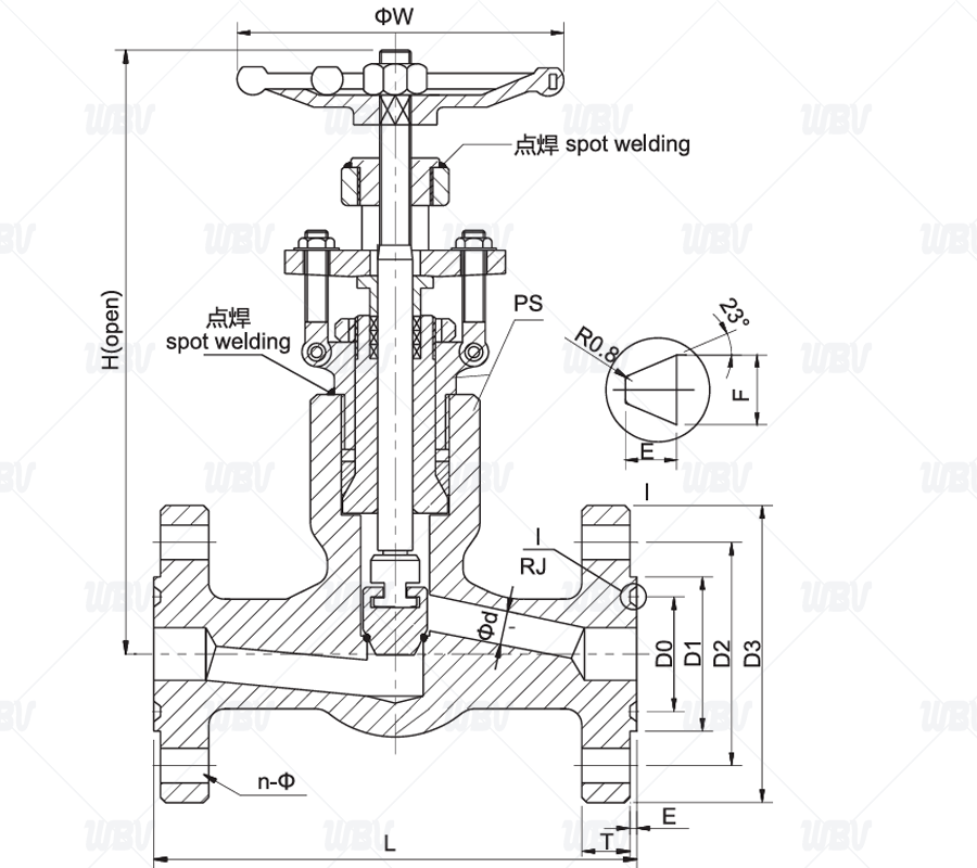
螺栓/焊接连接阀盖,全径明杆支架(OS&Y)
末端连接为法兰,设计按API602,BS5352,ASME16.34
产品详情
产品图纸

产品尺寸
| 1500LB RJ | ||||||||||||
| NPS(英寸) | Ød | L | H(open) | ØW | D0 | D1 | D2 | D3 | T | E | F | n-Ø |
| 1/2″ | 10.5 | 216 | 321 | 250 | 39.67 | 60.5 | 82.5 | 120 | 22.5 | 6.4 | 8.74 | 4-22 |
| 3/4″ | 13 | 229 | 321 | 250 | 44.45 | 66.5 | 89 | 130 | 25.5 | 6.4 | 8.74 | 4-22 |
| 1″ | 17.5 | 254 | 321 | 250 | 50.8 | 71.5 | 101.5 | 150 | 29.5 | 6.4 | 8.74 | 4-26 |
| 1 1/4″ | 24 | 279 | 414 | 280 | 60.33 | 81 | 111.3 | 160 | 29.5 | 6.4 | 8.74 | 4-26 |
| 1 1/2″ | 29 | 305 | 414 | 280 | 68.28 | 92 | 124 | 180 | 32 | 6.4 | 8.74 | 4-29 |
| 2″ | 36.5 | 371 | 502 | 280 | 95.25 | 124 | 165.1 | 216 | 38.5 | 7.92 | 11.91 | 8-26 |
| 2500LB RJ | ||||||||||||
| NPS(英寸) | Ød | L | H(open) | ØW | D0 | D1 | D2 | D3 | T | E | F | n-Ø |
| 1/2″ | 10.5 | 264 | 333 | 250 | 42.88 | 65 | 89 | 135 | 30.5 | 6.4 | 8.74 | 4-22 |
| 3/4″ | 13 | 273 | 333 | 250 | 50.8 | 73 | 95.2 | 140 | 32 | 6.4 | 8.74 | 4-22 |
| 1″ | 17.5 | 308 | 333 | 250 | 60.32 | 82.5 | 108 | 160 | 35 | 6.4 | 8.74 | 4-26 |
| 1 1/4″ | 24 | 352 | 408 | 280 | 72.24 | 102 | 130.2 | 185 | 38.2 | 7.92 | 11.91 | 4-30 |
| 1 1/2″ | 29 | 387 | 406 | 280 | 82.55 | 114 | 146 | 203 | 45 | 7.92 | 11.91 | 4-32 |
| 2″ | 36.5 | 454 | 524 | 280 | 101.6 | 133 | 171.4 | 235 | 51 | 7.92 | 11.91 | 8-29 |
技术资料
1.设计与制造:API602;ASME B16.34
2.结构长度:ASME B16.10
3.法兰端尺寸:ASME B16.5(RF,FM,RJ)
4.检验与试验:API598
5.结构特征:B·B(中部螺栓)W·B(中部焊接)流量:全径(FP)缩径(RP)
6.主体材料:A105N,LF2,LF3,F11,F5,F22,F304,F304L.F316,F316L,F321H,F51,F53,F55,F91,F92,F347,310S,800H,600,625特殊材料等
相关信息