您当前的位置:首页 / 产品展示 / 减压阀 / 不锈钢薄膜式内螺纹减压阀 S.S diaphragm reducing valve Y11X-16P
产品展示
产品型号:Y11X
公称通径:DN15~DN50
结构形式:薄膜式
工作压力:1.0Mpa~1.6Mpa
连接方式:内螺纹
适用温度:0ºC~80ºC
功能作用:减压
阀体材质:不锈钢、黄铜
制造标准:国标GB、德国DIN、美国API、ANSI
适用介质:水、饱和蒸汽等
生产产地:中国
广泛应用:石油,化工,电力,环保,水利,供热,给排水,工业,机械
产品详情
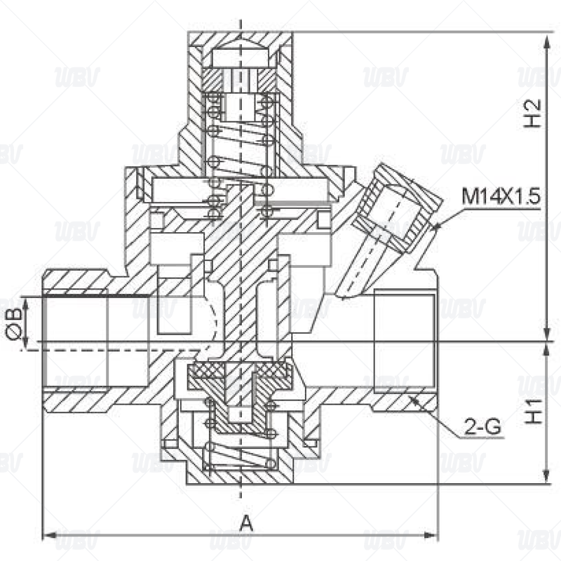
产品图纸

产品尺寸
| in | DN | A | B | H1 | H2 | G |
| 1/2" | 15 | 78 | 11 | 29 | 64 | 1/2" |
| 3/4" | 20 | 78.5 | 11 | 30 | 63.5 | 3/4" |
| 1" | 25 | 85 | 15 | 35.5 | 77 | 1" |
| 1 1/4" | 32 | 85 | 18 | 37 | 79 | 1 1/4" |
| 1 1/2" | 40 | 103 | 22.5 | 47.5 | 105 | 1 1/2" |
| 2" | 50 | 120 | 28.5 | 54.5 | 126.5 | 2" |
技术资料
1.执行标准 GB/T 12244-2006
2.结构长度标准:GB/T12221-2005
3.螺纹连接标准 ISO 228-1-2000(GB/T 7307-2001)
4.试验标准:GB/T13927-2022
产品零件表
| 序号 | 名称 | 材质 | 序号 | 名称 | 材质 |
| 1 | 阀体、阀盖、下阀盖 | CF8 | 4 | 调节螺杆 | CF8 |
| 2 | 阀座 | CF8 | 5 | 膜片 | PTFE |
| 3 | 阀瓣 | PTFE | 6 | 弹簧 | 60Si2Mn |
相关信息