您当前的位置:首页 / 产品展示 / 减压阀 / 200X不锈钢稳压减压阀 200X S.S. equalizer regulator SK200X-16P
产品展示
200X减压稳压阀由主阀、导阀、针阀、球阀、微型过滤器和压力表组成水力控制接管系统。使用时,当调定出口压力后,能自动保持稳定出口压力。本产品利用导阀自力控制,不需要其它装置和能源,保养简便,压力控制准确度高,受进口压力和流量影响小,减压稳压可靠。广泛用于高层建筑、生活区等供水管网系统及城市供水工程。
当阀门从进口端给水时,水流过针阀进入主阀控制室,出口压力通过导管作用到导阀上。当出口压力高于导阀弹簧设定值时,导阀关闭。控制室停止排水,此时主阀控制室内压力升高并关闭主阀,出口压力不再升高。当阀门出口压力降到导阀弹簧设定压力时,导阀开启,控制室向下游排水。由于导阀系统排水量大于针阀的进水量,主阀控制室压力下降。进口压力使主阀开启。在稳定状态下,控制室进水、排水相同,主阀开度不变,出口压力稳定。
调节导阀弹簧即可设定出口压力。
产品详情
产品图纸

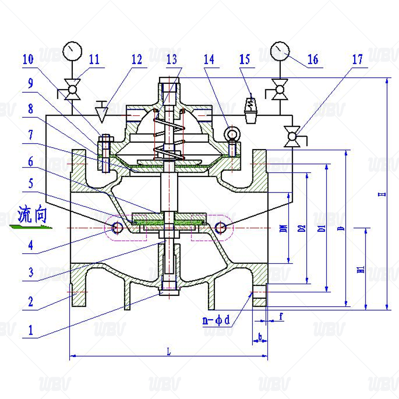
产品尺寸
| DN | L | A | A1 | H | H1 | F | D | D1 | D2 | n-Φd | ||||||||
| PN1.0 | PN1.6 | PN2.5 | PN1.0 | PN1.6 | PN2.5 | PN1.0 | PN1.6 | PN2.5 | PN1.0 | PN1.6 | PN2.5 | |||||||
| 20 | 180 | 292 | 136 | 342 | 247 | 116 | 105 | 105 | 105 | 75 | 75 | 75 | 58 | 58 | 56 | 4-13.5 | 4-13.5 | 4-14 |
| 25 | 180 | 292 | 136 | 342 | 247 | 116 | 115 | 115 | 115 | 85 | 85 | 85 | 68 | 68 | 65 | 4-13.5 | 4-13.5 | 4-14 |
| 32 | 180 | 292 | 136 | 342 | 247 | 116 | 140 | 140 | 140 | 100 | 100 | 100 | 78 | 78 | 76 | 4-17.5 | 4-17.5 | 4-18 |
| 40 | 240 | 330 | 155 | 395 | 278 | 170 | 150 | 150 | 150 | 110 | 110 | 110 | 88 | 88 | 84 | 4-17.5 | 4-17.5 | 4-18 |
| 50 | 240 | 330 | 155 | 395 | 278 | 170 | 165 | 165 | 165 | 125 | 125 | 125 | 102 | 102 | 99 | 4-17.5 | 4-17.5 | 4-18 |
| 65 | 250 | 350 | 165 | 405 | 298 | 180 | 185 | 185 | 185 | 145 | 145 | 145 | 122 | 122 | 118 | 4-17.5 | 4-17.5 | 8-18 |
| 80 | 285 | 365 | 175 | 430 | 313 | 210 | 200 | 200 | 200 | 160 | 160 | 160 | 133 | 133 | 132 | 8-17.5 | 8-17.5 | 8-18 |
| 100 | 360 | 410 | 195 | 510 | 350 | 275 | 220 | 220 | 235 | 180 | 180 | 190 | 158 | 158 | 156 | 8-17.5 | 8-17.5 | 8-22 |
| 125 | 400 | 455 | 220 | 560 | 365 | 310 | 250 | 250 | 270 | 210 | 210 | 220 | 184 | 184 | 184 | 8-17.5 | 8-17.5 | 8-26 |
| 150 | 455 | 475 | 230 | 585 | 420 | 355 | 285 | 285 | 300 | 240 | 240 | 250 | 212 | 212 | 211 | 8-22 | 8-22 | 8-26 |
| 200 | 585 | 530 | 255 | 675 | 450 | 460 | 340 | 340 | 360 | 295 | 295 | 310 | 268 | 268 | 274 | 8-22 | 12-22 | 12-26 |
| 250 | 650 | 623 | 300 | 730 | 470 | 500 | 395 | 405 | 425 | 350 | 355 | 370 | 320 | 320 | 330 | 12-22 | 12-26 | 12-30 |
| 300 | 800 | 700 | 340 | 760 | 490 | 580 | 445 | 460 | 485 | 400 | 410 | 430 | 370 | 370 | 389 | 12-22 | 12-26 | 16-30 |
| 350 | 860 | 840 | 415 | 840 | 526 | 640 | 505 | 520 | 555 | 460 | 470 | 490 | 430 | 430 | 448 | 16-22 | 16-26 | 16-33 |
| 400 | 960 | 880 | 430 | 910 | 570 | 715 | 565 | 580 | 620 | 515 | 525 | 550 | 482 | 482 | 503 | 16-26 | 16-30 | 16-36 |
| 450 | 1075 | 930 | 460 | 1030 | 610 | 780 | 615 | 640 | 670 | 565 | 585 | 600 | 532 | 550 | 548 | 20-26 | 20-30 | 20-36 |
| 500 | 1075 | 980 | 490 | 1135 | 665 | 830 | 670 | 715 | 760 | 620 | 650 | 660 | 585 | 585 | 609 | 20-26 | 20-33 | 20-36 |
| 600 | 1230 | 1060 | 530 | 1270 | 725 | 920 | 780 | 840 | 845 | 725 | 770 | 770 | 685 | 685 | 720 | 20-30 | 20-36 | 20-39 |
| 700 | 1650 | 1130 | 560 | 1460 | 865 | 980 | 895 | 910 | 960 | 840 | 840 | 875 | 800 | 800 | 820 | 24-30 | 24-36 | 24-42 |
| 800 | 1750 | 1230 | 610 | 1640 | 975 | 1050 | 1015 | 1025 | 1085 | 950 | 950 | 990 | 905 | 905 | 928 | 24-33 | 24-39 | 24-48 |
技术资料
1.产品设计标准:CJ/T219-2005
2.结构长度标准:GB/T12221-2005
3.法兰标准:GB/T9113.1-2000
4.试验标准:GB/T13927-2022
产品零件表
| 序号 | 名称 | 材质 | 序号 | 名称 | 材质 |
| 1 | 螺塞 | CF8/WCB | 10 | 螺柱、螺母 | CF8 |
| 2 | 阀体 | CF8/WCB | 11 | 球阀 | CF8 |
| 3 | 阀杆 | CF8/2Cr13 | 12 | 针阀 | CF8 |
| 4 | 微型过滤器 | CF8 | 13 | 弹簧 | 50CrVA |
| 5 | 密封圈 | NBR | 14 | 吊环 | CF8/WCB |
| 6 | 阀盘 | CF8/WCB | 15 | 导阀 | CF8 |
| 7 | 压板 | CF8/WCB | 16 | 感应器压力表 | CF8 |
| 8 | 橡胶膜片 | EPDM | 17 | 球阀 | CF8 |
| 9 | 阀盖 | CF8/WCB | - | - | - |
工作原理
进入压力 P1 通过导管和针阀 16(参看结构图)进入主阀的控制室,并建立向下的压 力 F3。出口压力 P2 也通过导管作用在导阀 15 的隔膜下并与导阀的调节弹簧相对抗。当下 游压力超过导阀弹簧设定值时,导阀关闭。控制室内的水排泄量为 0,可变压力 F3 达到最 大值,则主阀盘紧压阀座减压阀关闭。当下游压力小于导阀弹簧设定值时,导阀开启,控制 室内压力水将通过导阀 15、球阀 17 排泄到下游。由于针阀开度小(1/4~1/2),并且入口导 管比出口导管直径小,所以排泄速度大于入口压力补水速度,由此控制室内的压力 F3 减小, 一直作用在主阀盘 6 下面的入口压力 P1 将主阀阀盘托起,从而打开减压阀。在稳定调节状 态,排泄量等于补水流量,主阀口开度不变,下游压力稳定。
安装和调节
1、主阀最佳的安装方式是水平安装在管线上,阀盖朝上,其它安装方式也可达到使用功能, 安装前要彻底清除管道内的杂物。要注意主阀体外水流标示箭头,依方向安装。安装后应确 保没有管路压力作用在阀体及阀内部件上。
2、主阀前要安装一只闸阀和一只过滤器,阀后也要安装一只闸阀。以便于维修。
3、主阀上的过滤器 18 要定期清洗。
4、通水前必须彻底冲洗管路系统。
5、对重要给水管路应安装旁通阀。
6、调压方法:
(1)关闭上游隔离阀,开启下游隔离阀泄压,使下游压力降低 0.1Mpa 以后,关闭下游隔 离阀;
(2)将导阀调节螺钉拧至最上方位置;
(3)慢慢开启上游隔离阀至全开;
(4)慢慢向下拧紧导阀调节,出口压力将逐步升高,直到设定值时将调节阀螺钉锁定;
(5)如果调压过头,须从第一步开始重新调,即只能从低压往高压调。
相关信息